常州市莱吉传动机械有限公司
 
   首页

  常州市莱吉传动有限公司
地址:江苏省常州市天宁区青洋北路1号新动力工业园
服务热线: 0519-85160318
手机:13327887821

传真:0519-85160308
网址:www.czlaiji.cn
Email:sales@czlaiji.cn
 
 
     客户在线留言
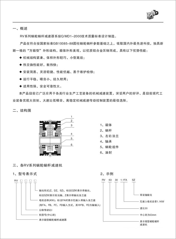
RV NMRV系列蜗轮减速机
产品型号:RV NMRV系列蜗轮减速机





 
       版权所有2009  常州市莱吉传动机械有限公司 
设计制作:常州盛邦信息     
       地址:江苏省常州市天宁区青洋北路1号新动力工业园 电话:0519-85160318